欢迎访问乐发Vll网站!

sitemap

联系我们

          全国服务热线:400-138-6882

微信客服

扫描微信二维码

客户服务热线

139-0230-5242

在线客服
联系我们

全国服务热线:

139-2897-4276

联系人:李小姐

手机:13928974276

电话:020-34329972

邮箱:LXL@DY-ELE.COM

地址:广州市番禺区番禺大道北555号天安总部中心14号楼1007室

高级搜索:
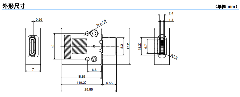
XP2U-001 接口测试用插座
  • XP2U-001 接口测试用插座

XP2U-001 接口测试用插座

所属类别:USB Type-C 接口測試用插座

产品规格:
电子设备測試用插座、Type-C 接口测试插座

XP2U-001 接口测试用插座
  • XP2U-001 接口测试用插座

XP2U-001 接口测试用插座

所属类别:USB Type-C 接口測試用插座

产品规格:
电子设备測試用插座、Type-C 接口测试插座

详细内容
I/O 接口为 USB Type-C 接口的
电子设备測試用插座
装备 USB Type-C 3.1 标准接口 (JAE制造 型号:DX07B024JJ3LR1600)
可以安装至设备等的安装孔(Ø1.8)
电子设备測試用插座、Type-C 接口测试插座

相关产品

更多>>

版权所有©2017 乐发Vll
备案号:粤ICP备14034895号

服务热线:4001386882/13902305242
 E-MAIL: lxl@dy-ele.com
 联系人: 李小姐
地址:广州市番禺区番禺大道北555号天安总部中心14号楼1007室

微信公众号

微信二维码