为了适应市场需求的变化,欧姆龙一直致力于新产品的研究和开发,为客户提供更多的选择和机会。现在欧姆龙推出G5RL系列新品,磁保持继电器G5RL-K1A-EL-HA系列,也是一款全新的可耐高冲击开关的闭锁继电器。
下面由广州鼎悦电子来为你介绍下:

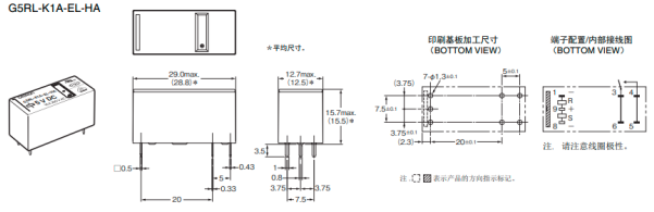
欧姆龙新品磁保持继电器G5RL-K1A-EL-HA具有以下特点:
1、可以承受AC250V,16A的负载

2、耐冲击、照明负载适用,符合电容器负载标准 (IEC60669-1);

3、低背型的外观尺寸,适用于多种应用;

4、线圈与接点间的绝缘沿面距离8mm;
5、耐冲击电压高达10kV,高绝缘;
6、最高环境温度可达85°C;
7、符合耐燃性国际安全规格 (IEC60335-1);
8、可广泛应用于不间断电源、工业设备、智能电表、照明控制、智能家居等领域。
对欧姆龙新品磁保持继电器G5RL-K1A-EL-HA如果你还想更深入的了解,请站内咨询我们-乐发Vll,可提供专业技术选型指导和样品测试!



